深办:深圳市龙华新区煜丰泽花园广场B栋
电话:189-2644-6596
邮件:2283912902@qq.com
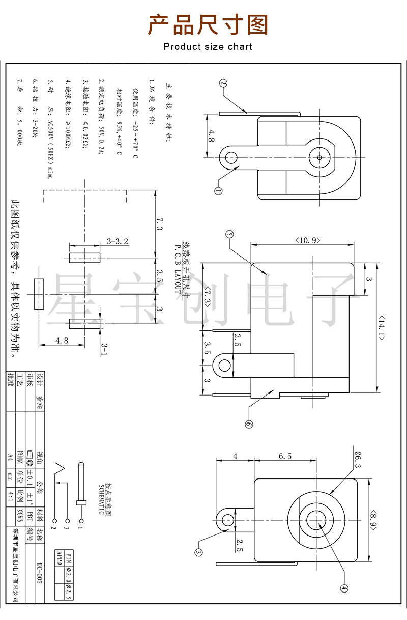
插拔力: 5-20N
寿 命:5000次
额定电流:0.5A
额定电压:30V
接触件材质: 铜脚
绝缘体材质: 朔胶
使用温度范围: -10°C~65°C